关注官方微信
关注官方公众号
发布日期:2025-05-16
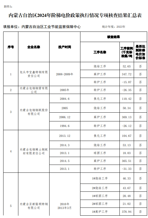
为落实《国家发展改革委关于完善电解铝行业阶梯电价政策的通知》(发改价格〔2021〕1239号)、《关于水泥企业用电实行阶梯电价政策有关问题的通知》(发改价格〔2016〕75号)、《关于运用价格手段促进钢铁行业供给侧结构性改革有关事项的通知》(发改价格〔2016〕2803号)要求,为推动重点行业加强节能管理,切实提升能源利用水平,内蒙古自治区工业和信息化厅组织自治区工业节能监察保障中心、各盟市工业和信息化局开展了2024年度阶梯电价政策执行情况现场核查,现将核查结果予以公告。
附件:1.2024年内蒙古自治区电解铝企业阶梯电价能耗核查结果汇总表.pdf
2.2024年内蒙古自治区水泥企业阶梯电价能耗核查结果汇总表.pdf
3.2024年内蒙古自治区钢铁企业阶梯电价能耗核查结果汇总表.pdf
2025年5月14日


